0
¥0

現在カート内に商品はございません。

SALE
#PED-Sale

#PED-Sale

通常価格:¥25,500 税抜
¥22,500 税抜
商品コード: 101-0188
関連カテゴリ
数量
カートに追加しました。
お買い物を続ける カートへ進む

商品説明

アクセルペダルモジュール
E-Throttle Accelerator Pedal Module
Firewall mounted hanging design
16degree (~70mm) travel
Redundant dual output potentiometers suitable for use with Electronic throttle bodies
Includes 6 pin mating connector kit


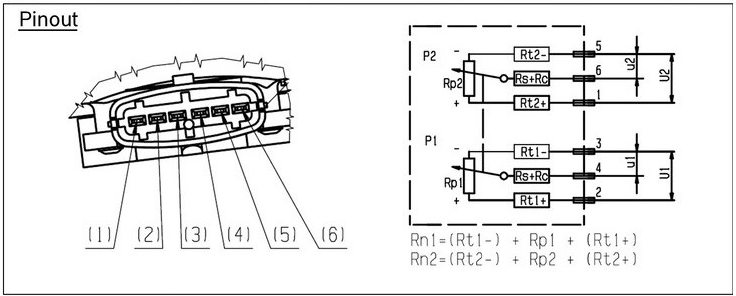
Technical Specs:
See attached image.
Further details on E-Throttle setup can be found in the PC Link helpfile.

カテゴリ一覧

ページトップへ

この商品に関連する商品